在线询价
产品展示 PRODUCT SERIES
首页 > 产品展示
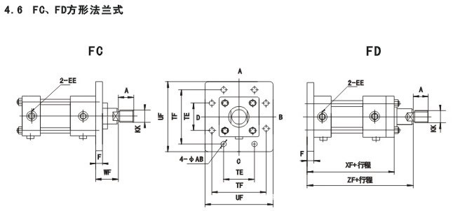
大通拉杆油缸W70/140L-1LA/CA/LB/LC/FC/TC40/50/63/80/100/125 价格:

在线询价
详细内容 规格参数 产品包装


© 2026 武汉大通气动液压机电设备制造有限公司  All Rights Reserved. 腾云建站仅向商家提供技术服务